| 选课类别:计划内与自由选修 | 教学类型:理论课 |
| 课程类别:本科计划内课程 | 开课单位:近代物理系 |
| 课程层次:专业基础 | 学分:3.0 |
2022秋课程群:769572411(该群聊已经解散了)
2022秋、2023秋的主要内容:
1、电路分析部分:李翰荪《电路分析基础(第五版)》上下册,上册主要讲了第一章到第六章,下册只讲第八章。
主要内容:KCL、KVL、网孔和节点分析、叠加原理、戴维南定理和诺顿定理、电容和电感、一阶电路的零状态响应和零输入响应、一阶电路的三要素法。
2、模拟电路部分:华科大《电子技术基础(模拟部分)》,第一章到第五章,第七章和第八章。
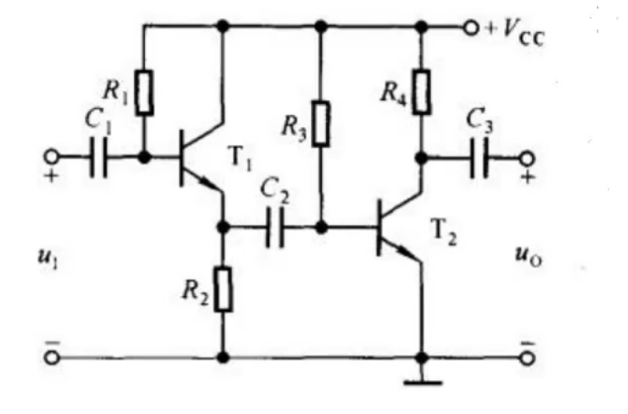
主要内容:1.放大电路的基本指标(输入输出电阻、放大系数);2.运算放大器;3.基本的二极管(即3.1节-3.4节);4.MOSFET的基本概念和原理(即4.1节,MOS管的计算不考,JFET不考);5.BJT管的基本概念、三种使用方法、小信号模型(即5.1-5.3节);6.差分放大电路(即7.2节,7.1节基本不考);7.反馈放大电路(即8.1-8.5节,反馈组态的判定、深度负反馈虚短虚断)。
曹平老师的《电子技术基础》课程涵盖电路分析和模拟电子技术两大部分,课程内容全面,下半部分的模拟电子部分包括二极管、BJT 和 MOS 管等器件及其电路。课程因内容多导致课时紧张,但曹老师讲解流畅,能帮助学生抓住考试重点,“曹平老师讲的很好,ppt基本就是教材的划重点版本。”尽管如此,一些学生反映模电内容难理解,需要借助助教和复习资料。
作业量适中,每周约五六道题,涵盖基础内容。助教提供复习资料和习题课讲义,帮助学生高效复习。考试题型稳定,涵盖电路分析和模电,最后两题较难,需要综合应用所学知识。概念题和基础题不难,复习时要过一遍课件和基础概念。
普遍反馈曹老师给分不错,“老师今年也没有补充过多内容,实际上18周的课,基本每周都提前下课,并且在16周就结课了,非常nice!” 对于成绩不理想的同学,曹老师提供了一定的补救措施。复习考试需要关注助教提供的资料,并合理规划每部分学习时间。
由于课程班级多为优秀学生,整体学习氛围较浓,有竞争压力。课程适合秋季选课,“因为秋季只有曹老师一个班,所以老师基本上考什么就重点讲什么,这对于书本内容贼多的电基来说,可以说是一大福音了。” 不建议使用电子版教材,因其不易整理和标注。
总体而言,曹平老师的《电子技术基础》课程教学质量高,适合对电子技术感兴趣的学生,以及计划从事电子相关工作的同学。然而对基础薄弱的同学而言,需要在课外对教材进行深入学习和理解。
111还是更新一下吧,大家都打了给分超好我也改过来了。看了一下大部分同学应该还是对成绩满意的。
个人认为曹老师讲课还是不错的,如果以后有意从事电子相关工作的话,还是能学到很多东西的,毕竟用到的东西很多都不考(x)
曹老师上课会讲什么事重点,认真听课的同学期末复习的压力就会小一些。
关于成绩,我觉得大部分同学的期末考看起来还是比较惨的。有些同学可能写了很多,但是就是写不对,或者是因为哪个地方错了接下来步步都错,所以可能出现了你感觉自己什么都写出来了但是分数却不高的情况。看着还是挺可惜的。
<占位符>
想了一下,还是占个坑先。我是曹平老师2022秋电子技术基础课程的助教。
(先说明一下,我没有上过曹老师的课,所以对曹老师的了解也是空白。)
(然后说明一下打9分是因为这门课在3学分里塞的东西有点多,而且今年又改成54学时,课时很可能会很赶,要做好心理准备)
本人目前20级光学专业,至于为什么会选这门课做助教……我一下子说不太清楚。一个是我没有数理基础课程带(要么学得烂要么不想带),一个是当时学模电的时候有种琢磨通了的感觉(就是花了不少时间耽误了一些更重要的课(悲。还有一个是我感觉研究生助教带班效果平均来看没有本科生效果好(不知道是不是小样本偏差),再加上这门课在物院算是一大屑(),希望能对拯救这门课做一点点微薄的贡献。(当然这个设想很美好,实际能做的我只能说尽力而为了。(笑,不要给自己太高期望太大压力就行)
然后讲讲这门课的内容。这门课大致讲电路分析理论和模电两块内容,分配上大致是1:2。分析理论大概讲几个定律,叠加原理,等效原理,复频域分析等等,模电主要讲放大(三大放大电路,差分放大,集成运放,频率响应等)和反馈,可能还会讲一点振荡,滤波选频,功放等。(凭记忆写的,大概主要是这些内容吧(猜测
具体怎么讲还要看曹老师安排
这里贴一个链接,是上过这门课的小白鼠大佬,可以参考一些对这门课的看法:https://icourse.club/course/21288/#review-50213
后续再更一下,先酱紫
hjh忘了更了,一不小心就到了期末考的时候了。我也到了最头疼的一周,只好补点短评了。
可以说曹老师是非常好的老师了,也相信他的给分(确信
大家复习的时候一定要过一遍曹老师的课件,这是曹老师自己说的()然后基础概念也要留意,会考的。然后附上我写的一点点东西(感觉写的很粗糙,勉强能看吧,希望对大家有帮助
(后面的是我实在是没有时间更完了,希望有好心人能接力)
祝大家考试顺利,取得理想的成绩!
助教整理的资料,习题课讲义是速通指南,答疑在考前注意一下。(由于引用,放在前面)
曹平老师第一节课点名,后来我没去过,应该没点过()。无小测,作业每周大概五六道,比较基础,且有答案(助教发了辅导书,或者可以用小猿搜题,题目数据都是一样的),助教支持BB提交。
电基不建议使用电子版,一来模拟部分那本电子书模糊不清,二来教材繁复,不易于反复观看整理,并且做题时不易标划。
学习时建议跟着曹老师学,会对教材进行巨大的简化,而且思考难度不高,不用担心跟不上,当然如果自学看完课本效果是要比听课高的,但是时间与精力成本剧增,且对于考试回报并不多,性价比极低(不要想着最后看老师ppt就可以,曹老师ppt非常简略,至少我看的时候看不出什么东西),另外听课的同学最好坐前排,老师讲课声音有点低。
每年考题似乎都一个模子,概念题(今年是基尔霍夫定律、PN结特性、外接电源法测电阻对内部电源处理方式、四种反馈组态),一阶电路(掌握相量法跟几种电路分析方法,其实学过电磁学就可以),BJT放大电路(如助教所说,处理方法在BJT,个人感觉FET、BJT熟悉了基本结构、特征方程应该是不算困难,它们的一些修正(沟道长度调制之类的)在考试中没有出现,可以仅作了解,他们组成的电路无论什么组态,单管还是多管,还有什么镜像电流源之类的都按照电流通路、电阻通路去逐阶推算就可以,最多繁琐,但不至于有思维难度),负反馈(主要是寻找反馈通路,至于输入输出电阻之类的没有考,就算考也不需要记背,临场分析反馈组态,然后负反馈是对信号放大有益,从这个角度对输入输出电阻调整,倍数都与1+AF有关,就可以直接推算,深度负反馈就更容易了)。整套书最让我迷茫的频谱响应没有考(最后复习发现其实就是相量法求增益系数),大家可以尝试理解,不行就放弃,大概不会考(X)。
同学可以先去做做上古密卷,会极大程度缓解电基课程带来的焦虑。
曹老师给分很好,冲!
看纲要就可以,笔记应该没用,甚至纲要相比考试也多了。
考试的主要难度应该是最后两道综合大题:涉及差分放大、BJT 多级、负反馈计算上,各15 分,前面的概念填空与简答也需要注意细节。在考前 2 天左右加紧复习,考场上写完了,自我感觉写得是那回事,但出分后低于预期,不知道是计算错误还是那几个公式运用有误。总评 85,那我就默认曹老师捞我了(因为看曹老师的很多评课都说很捞),但这门课本身体验感不好👎,也没有什么往年题可做(不要去做信院的模电考卷,看了室友的课感觉还是不太一样),想拿高分的话建议还是多留点时间,以及平时课堂下功夫(老师讲的挺快,一会儿不注意可能就错过了重点)。
顺便吐槽一下量信英才班的方案,一直想说但没什么地方,不过这门课作为秋季唯一的物院模电课堂,量信同学基本都在这里了。大二上这学期硬是比物院方案多出了6.5 学分(数据结构算法与模电),模电是放假前一天考的;还有其他几门置课的老师我也很难评,再加上自己脑瘫还弄了没什么卵用的辅修,多门课重压下,绩点爆炸暴跌。不过看在奖学金和组织不少访学活动的份上,还是先躺在这儿(当然大三大四好像还有不少课,可能需要调整一下策略),有意愿加入的大一/大二同学可以自己衡量一下优劣得所,必要时适当往学业方面倾斜多一点时间,还有就是利用量信的资源提前联系校内导师,我有预感,感觉后面往那几个强组强导推免可能会变卷……
老师给分应该很好,印象中期末概念题没考MOS管相关知识,前面填空题涉及的概念在助教的复习文件里应该都有。王dx和彭yy两位助教非常认真,习题课和平时答疑提供的复习思路和强调的重点大大简化复习我的任务。
本学期曹平老师的考题除了最后两题比较有难度,需要认真思考一下,其它题目都和作业难度相近。可能是先修班和重修班的原因,班上有不少少院和22级的重修同学。
期末考题:

课程参考资料:
24小登第一学期唯一没上3.3的课😭
曹老师人很好,讲的也不错虽然没怎么听。
作业全交了,期末考的确实不好,但保底分应该拿到了(?),没有想象中捞。但是还是得怪自己没认真学罢。
第一周没布置作业
第二周19道题,前三章全搞完了
苦逼赶作业ing
课程内容与收获:70%,9
作业:25%,10
给分:5%,10
加权平均:9.3->9
上课内容:上课内容主要按照PPT,电路部分进度快,模电部分进度比较正常。
讲课语速比较快,但是感觉速通的话不如直接看PPT。
作业:如前,电路部分作业比较多。模电部分一章就几道题,平均下来每周可能也就5道题目左右。考试:内容比较散,建议及时复习巩固。
给分:爹。最后两题不会口胡的,给了93。
有点名无小测,作业大约每周六题。课很垃圾,老师人挺好,挺宠学生的(?),给分也好。上课啥也不会考前看猴博士速成3.7
顺便放一个猴博士模电数电速成课造福后人
求一份猴博士的模电网课 - 『悬赏问答区』 - 吾爱破解 - LCG - LSG |安卓破解|病毒分析|www.52pojie.cn
这门课是少院量子信息英才班的大二秋置课,所以上课的有不少是苕皮,应该还有一些物院的同学没得选选了这门课程。
电子技术基础分为电路分析和模电部分,前1/3个学期会过一遍电路分析部分,这部分比较简单,基本不会超过高中难度太多。然后模电部分讲了二极管、BJT器件和他们所构成的电路,MOS管虽然花了一节课讲而且“仅会以概念题形式出现”,但实际上这学期也没考。
曹平老师讲的很好,ppt基本就是教材的划重点版本。对于一些计算题或者是画电路,老师生怕我们不会经常会在黑板上解一遍,上课听了也就基本咣咣咣都会算了。上课的时候有时候也讲些段子,遇到必考的重点也会反反复复强调,上课体验还是不错的。
曹老师给分也很好,平常做做作业,考试之前为了这门课只专门复习了一天半,也吃到了优秀率。
考试内容大概是电路分析的上册前六章和下册第一章,模电第123578部分内容和mos管概念。
不过我已经学过《线性电子线路》、《模拟与数字电路》、《模拟集成电路设计》,上课的时候和《量子力学》叠课一节没去,点名也没去,最后期末考老师也没来,所以老师一面也没见过,最后水了个96分。
本来以为课本内容可以迅速过一遍的,结果每次周三上完课,周四开始看书得看两节课。这课学时太少,内容又过多,老师又不舍得把不考的内容略过,导致时间严重不足。感觉物院的电路课都一逼潦草()
最后考试内容,首先要注重基础概念,比如二极管性质,bjt和mos的区别,二极管的三个模型啥的。
考试考了基本的KVL,KCL,一阶电路分析,基本放大电路,差放,运放(积分电路啥的),考的非常的广泛,建议都得复习一遍。
久仰的模电,这学期品鉴了一下。
课程不抽象,前半部分电路很简单。后半部分主要讲了二极管,MOS,BJT,理想运放,几种集成电路(电流源,差分电路),反馈。内容不多。考试对模电的要求基本就是几种模型。
考试尤其的简单,除了最后两道题(反馈和差分电路),都是常规小题,感觉上了一个假的电基()
这门课最抽象的就是模电的教科书,内容及其繁重,特喜欢把一个简单的东西讲的复杂。可以看一下猴博士,然后把他上面提到的公式都自己推一遍,基本就会了。
考完期末了,还没出分。
这门课的内容主要是电路分析和模电。前面的电路分析实际上跟高中物竞的内容差不多,但后面的模电感觉挺难学的。
挺建议大家秋季选电基的,因为秋季只有曹老师一个班,所以老师基本上考什么就重点讲什么,从老师的上课就可以看出来哪些东西作了解,哪些东西要考。这对于书本内容贼多的电基来说,可以说是一大福音了。
而且,老师今年也没有补充过多内容,实际上18周的课,基本每周都提前下课,并且在16周就结课了,非常nice!
老师上课的思路很流畅,表达也清楚,但可能是太快了?感觉我学模电部分的状态就是,课上跟着老师的思路走下来了,但是看书又看不懂了))不知道是哪里出了问题、、
今年的考试还是挺简单的,只有最后两题有难度,所以其实课上没学懂问题也不大,考前复习一下,应该就能考个不错的成绩。(我猜)
出分了再评评给分吧。
首先我绝对没学懂这课
然后考试我最后两题真的不会做
但是曹老师是海底捞大师 或者大家都不会做最后几题
这课和我专业关系不是很紧 老师不会为难大家!
感谢曹老师!
傻孩子们收手吧,班上全是苕皮
第一次见到过半00的,卷不过卷不过......
上课认真听课!!
曹老师讲得很好, 基本听了就不用花很多时间, 否则就得考前对着一堆资料看不懂发懵. 一学期下来感觉还是没适应模电的思维方式,也许以后会慢慢有体会的吧.
曹老师讲的很好但这考试也太难了吧出分再评,延长十分钟感觉如延。
二更:曹老师是神,考试算爆了两题,最后一题完全不会,最后吃到了优秀率,给分奶王,大家快来选!